Kerámia gyöktámasz, lapos

Lapos kiképzésű kerámia gyöktámasz MIG (CO) hegesztéshez.


Item number: 690000A1

Súly: 13,5 kg

Request for quotation! Hirdetésfigyelés


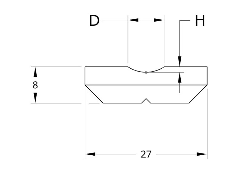
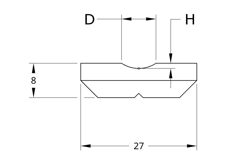
Lapos kiképzésű kerámia gyöktámasz MIG (CO) hegesztéshez. D= 6 mm, H=0,8 mm. 0,6 m/db, 36 m/doboz

Színjelölés / anyag
kiszerelés 36 m/doboz
D 6 mm
H 0,8 mm
Ezt a terméket még nem értékelték. Legyen Ön az első!

Értékelem

Similar products

Similar products