Kerámia gyöktámasz, lapos

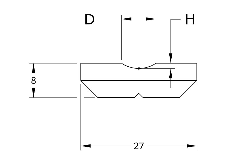
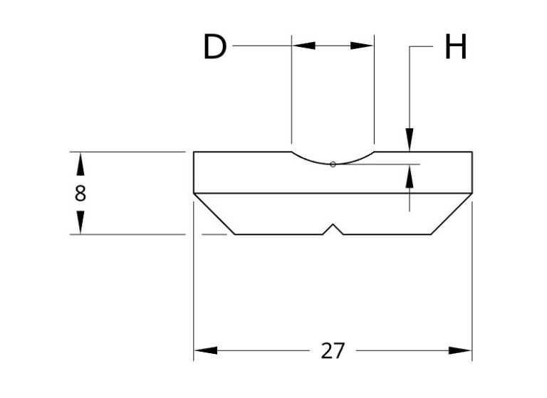
Lapos kiképzésű kerámia gyöktámasz MIG (CO) hegesztéshez.


Item number: 690000A2

Súly: 13,5 kg

Request for quotation! Hirdetésfigyelés


Lapos kiképzésű kerámia gyöktámasz MIG (CO) hegesztéshez. D=8 mm, H=1,2 mm. 0,6 m/db, 36 m/doboz

Színjelölés / anyag
kiszerelés 36 m/doboz
D 8 mm
H 1,2 mm
Ezt a terméket még nem értékelték. Legyen Ön az első!

Értékelem

Similar products

Similar products